Allicdata electronics

Electronic components, capacitors, resistors, diodes, LED lights, etc.

式を使用して三極管アンプ回路の倍率を見つける方法は?

三極管の3つの構成増幅回路の増幅率の計算方法は、3つの基本構成が、エミッタ接地増幅回路、ベース接地増幅回路、およびコモン増幅回路である。

 

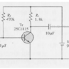
3つの倍率の公式は難しくありません。 難しさは、それを使用する方法です。 今回は3段のアンプ回路を見つけましたが、AC回路を図に示します。

image.png

この3段増幅回路は、エミッタ接地増幅回路です。 エミッタ接地アンプ回路であるかどうかを判断する良い方法は、電流がどこから流れているかを確認することです。 電流がベースからコレクタに流れる場合、これはコモンアンプ回路です。 明らかに、上記の3つのレベルは満たされています。 このカスケード回路の場合、総電圧増幅は、最初のステージを最初に見て、ステージの倍率の積に等しくなります。

 

βは一般に回路で与えられ、R b b 'は無視できるか直接与えられ、Rb'eは静的動作点から導出する必要があります。 Reは、エミッタに接続された抵抗です。 R L 'を見つけるのは困難です。 R L 'は、抵抗R cとRLの並列抵抗を表し、R cは下図のRです。 c 1、RLは2段目の増幅回路から見た等価抵抗に相当します。

image.png

ここで、R Lは実際にはR b b'2 + R b 'e 2+(1 +β2)R e 2に等しいので、初段増幅回路の増幅率を書くことができます。

image.png

最初のレベルと2番目のレベルを完了するのは比較的簡単です。 最初のレベルと同様に、式を直接持ってくると、R L 'を見つけるのは困難です。上の図でR cはR c 2、RLはR b b'3によって得られる3段の入力抵抗 + R b 'e 3+(1 +β3)R e 3そして、式に代入して、2段目の増幅回路の式を求めます。

 

詳細については、当社のウェブサイトにトライオードアンプの製品仕様があります。詳細については、ALLICDATA ELECTRONICS LIMITEDにアクセスしてください。